Special Yokes & Jaws Warranty

All Special Manufactured Yokes and Alligator Jaws have a 30 Day Warranty under normal use.

Warranty will be null and void if customer requests any unusual change from manufacture of special yokes and jaws.

No warranty if Atlantic Air Tool Special Yoke or Alligator Jaw assembled into a non-Atlantic Air Tool.



1601

 

Rated For 351
Reach 4 1/4"
Gap 3 1/8"

 

1602

 

Fits Tool(s) 30C, 60C
Reach 3"
Gap 1 1/2"

 

1603

 

Rated For 444C
Reach 1 1/2"
Gap 3"
No Top Set Hole  

 

1604

 

Rated For 30C, 60C, 90C
Reach 3 1/2"
Gap 2"

 

1606

 

Rated For  30C Only
Reach 2 3/16"
Gap 1 1/4"

 

1607

 

Rated For 30C, 60C
Reach 8"
Gap 1 3/4"

 

1608

 

Rated For 444
Reach 4 17/32"
Gap 1 1/2"

 

1622

 

Rated For 30C ONLY
Reach 7/8"
Gap 1"
No Top Set Hole  

 

1624

 

Rated For  30C, 60C
Reach 3 1/4"
Gap 2 1/2"

 

1627

 

Rated For  30C, 60C, 90C
Reach 2"
Gap 1 1/4"

 

1628

 

Rated For  30C, 60C
Reach 3 1/4"
Gap 2 1/2"

 

1631

 

Rated For CP351
Reach 4"
Gap 1 7/16"

 

1632

 Rated For  30C, 60C
 Reach  4 3/4
 Gap  1 1/4
No Top Set Hole  

1633

 

Rated For 30C, 60C
Reach 7"
Gap 3 1/2"

 

AATC#1638 Thumbnail

1638

 

Rated For 30C
Reach 2 1/2"
Gap 1 3/4"

 

1639

 

Rated For 30C
Reach 5 1/8"
Gap 1 1/2"

 

1647

 

Rated For 30C, 60C
Reach 1 1/2"
Gap 1"
Gap Behind Nose 3"

 

1648

 

Rated For 30C ONLY
Reach 2"
Gap 1"
No Top Set Hole  

 

1649

 

Fits Tool 351 Only
Reach 2.650"
Gap 1.375"
Gap Behind Nose 2.750

 

1650

 

Rated For 30C, 60C, 90C
Reach 2"
Gap 1 3/8"

 

1659

 

Rated For 30C, 60C
Reach 1"
Gap 1 1/4"

 

1671

 

Rated For 30C, 60C, 90C
Reach 2"
Gap 1 1/2"

 

1672

 

Rated For 30C, 60C, 90C
Reach 2 1/2"
Gap 1 1/2"

 

1686

 

Rated For 30C Only
Reach 1"
Gap 1"
No Top Set Hole  

 

1690

 

Fits Tool(s) 30C, 60C
Reach 6 1/2"
Gap 1 1/4"
Gap Behind Nose 2"

 

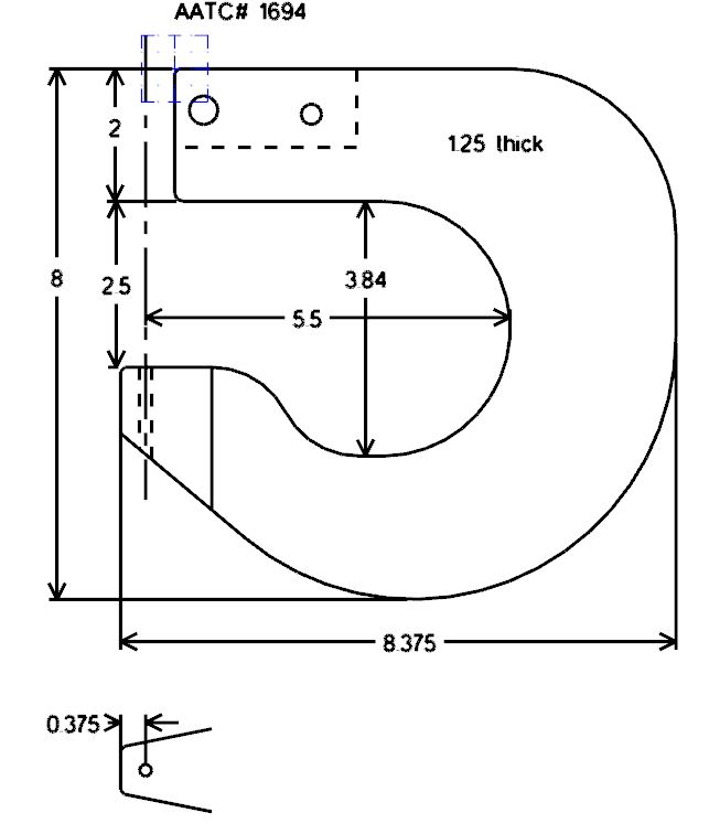
1694

 

Rated For 351C
Reach 5 1/2"
Gap 2 1/2"
Gap Behind Nose 3 27/64"

 

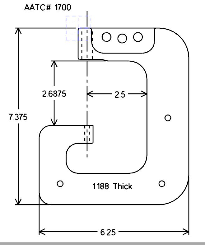
1700

 

Rated For 30C, 60C, 90C
Reach 2 1/2"
Gap 2 11/16"
Gap Behind Nose