Atlantic
Air
Tool
Company,
Inc.
Home
About Us
General Information
Safety Sheet
Warranty Information
Non-US Sales
Our team
Tools
Alligator Squeezers
30A-30AH Series
60A-60AH Series
90A Series
500A Series
630A Series Discontinued
444A Series
C Yoke Squeezers
30C-30CH Series
60C-60CH Series
90C Series
444C Series
Bench Models
30C-30CH Series
60C-60CH Series
90C Series
444C Series
444AB Series
C60B, C90B Bench Model Yokes
C120B Bench Model Yokes
Pedestals and Mounts
Commercial Squeezers
Rivet Squeezer Alligator Type - 314A
Rivet Squeezer Alligator Type - 324A
Rivet Squeezer C Type - 314C
Rivet Squeezer C Type - 324C
Cylinder Head Assembly - 196
Specials
Alligator Jaws
1100's
1200's
1300's
1400's
1500's
1600's
C Yokes
1100's
1200's
1300's
1400's
1500's
1600's
C Unit Jaws
Contacts
Search
Home
|
Specials
|
C Yokes
|
1600's
|
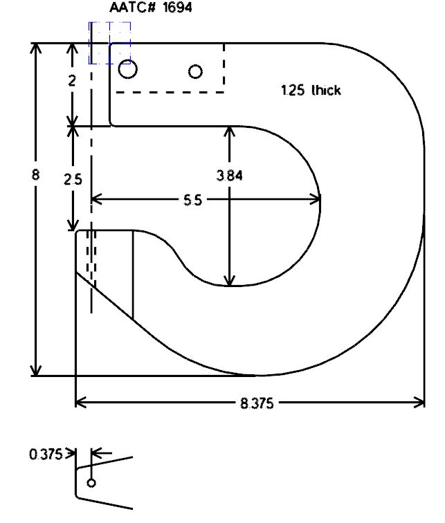
1694
1600's
1694
Rated For
351C
Reach
5 1/2"
Gap
2 1/2"
Gap Behind Nose
3 27/64"